Бесплатная доставка во все регионы России
- доставка до двери/терминала транспортными компаниями: «Деловые линии», «DPD», «СДЭК»;
- самовывоз со склада: Химки, Коммунальный пр-д, стр. 30.
Любые способы оплаты
- банковская карта;
- безналичный расчёт;
- наличные.
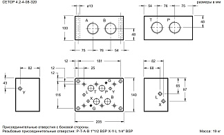
PME5-AL8G/10_1961141 - Плита для распределителей и клапанов, CETOP P08, P-T-A-B=G1"1/2, X-Y-L=G1/4", 350 бар, боковые порты, сталь
Характеристики
Артикул
PME5-AL8G/10_1961141





Гарантия 2 года