Бесплатная доставка во все регионы России
- доставка до двери/терминала транспортными компаниями: «Деловые линии», «DPD», «СДЭК»;
- самовывоз со склада: Химки, Коммунальный пр-д, стр. 30.
Любые способы оплаты
- банковская карта;
- безналичный расчёт;
- наличные.
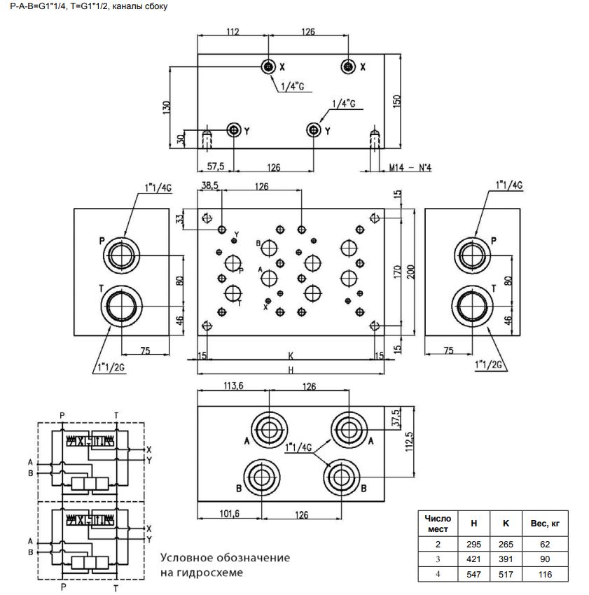
EM208/2Y - Плита для распределителей и клапанов, двухместная, CETOP 08, P-A-B= G1"1/4, T=G1"1/2, сбоку
Характеристики
Артикул
EM208/2Y





Гарантия 2 года