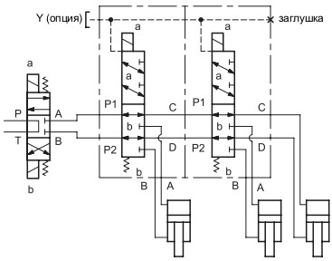
BFD* - Отводящий 6-линейный клапан (дивертер)
Клапан BFD* дивертор является 6-ти линейным секционным распределителем, который позволяет переключать каналы между двумя одинаковыми по функциям рабочими органами. Клапан изготавливается в двух типоразмерах (BFD06 и BFD10) в зависимости от требуемого пропускаемого расхода, и применяется, в основном, в мобильной технике, для которой важна компактность.
Конструкция позволяет монтировать в линию до 5 секций. Исполнение с внешним дренажем также возможно в качестве опции для обоих типоразмеров.
Код для заказа дивертора:
| 1 | 2 | - | 3 | - | 4 | / | 5 | 6 | - | 7 | 8 | / | 9 | 10 |
| BFD | 06 | G038 | TA6 | 10 | N | D12 | K1 | CM | Y |
| 1 | 6-ти линейный секционный дивертор | |
| 2 | Типоразмер |
06 = 60 л/мин 10 = 90 л/мин |
| 3 | Каналы |
G038 = 3/8’’ BSP G012 = 1/2’’ BSP |
| 4 | Тип золотника | TA6 |
| 5 | Номер серии | Габаритные и монтажные размеры остаются неизменными для серий от 10 до 19 |
| 6 | Уплотнения |
N = уплотнения NBR для минеральных масел (стандарт) V = уплотнения FPM для особых типов жидкостей |
| 7 | Напряжение питания катушек* |
Постоянный ток: D12 = 12 В D24 = 24 В |
| 8 |
Электрическое соединение катушки |
K1 = вилка электроразъема DIN 43650 (стандарт) K7 = вилка электроразъема по DEUTSCH DT04-2P внутреннее |
| 9 | Ручное дублирование |
Пропустить для ручного дублирования встроенного в трубку электромагнита CM = защитный резиновый колпачок ручного дублирования |
| 10 | Опция | Y = внешний дренаж |
Пример кода для заказа дивертора: BFD06-G038-TA6/10N-D24K1/CM - секционный гидрораспределитель, Элм-Пруж, 250 бар, 50 л/мин, G3/8, =24 В
Примеры использования дивертора BFD*:

Скачать 2D и 3D модели товара «Отводящий 6-линейный клапан (дивертор) BFD*» Вы можете по кнопке «CAD-модель» выше.
Если Вы не нашли нужный формат 3D или 2D модели, вы можете воспользоваться on-line конфигуратором моделей компаний Duplomatic MS и Pneumax S.P.A. перейдя по ссылке - «Справочные материалы. 3D-Библиотека».
Срок поставки определяется наличием на складе и регионом нахождения покупателя. При комплексной поставке оборудования возможна оплата с отсрочкой платежа.




