1319 - 1321 - Цилиндры пневматические по DIN/ISO 15552
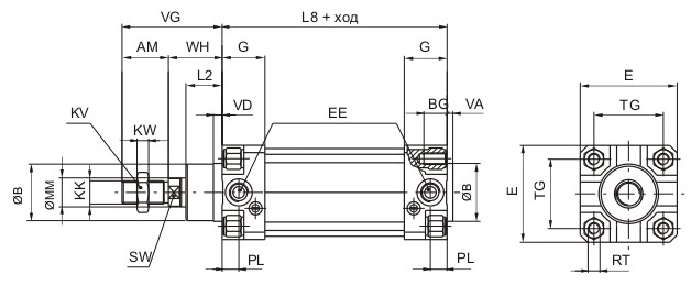
Цилиндры пневматические серии 1319, 1320, 1321 по стандарту DIN/ISO 15552, полностью соответствуют стандартам VDMA 24562 и CNOMO/AFNOR 49003, взаимозаменяемы с цилиндрами других производителей. Предназначены для универсального применения. Доступны цилиндры как двухстороннего, так и одностороннего действия, а также тандемы. Все модели оснащены встроенным пневматическим демпфированием, позволяющим безударно снизить скорость движения поршня в крайних положениях (снижает влияние ударных нагрузок при больших скоростях и усилиях).
Эти серии цилиндров производятся в соответствии со стандартом ISO 15552, полностью соответствуют стандартам VDMA 24562 и CNOMO/AFNOR 49003. Полностью взаимозаменяемы с цилиндрами других производителей.
Предназначены для универсального применения. Доступны цилиндры как двухстороннего, так и одностороннего действия, а также тандемы.
Все модели оснащены встроенным пневматическим демпфированием, позволяющим безударно снизить скорость движения поршня в крайних положениях (снижает влияние ударных нагрузок при больших скоростях и усилиях).

Код для заказа:
| 1 | • | 2 | • | 3 |
• |
4 |
• |
5 |
| 1319 | 63 | 500 | 01 | _ |
| 1 | Модель |
1319 - с магнитом в поршне, хромированный шток 1320 - с магнитом в поршне, нержавеющий шток 1321 - без магнита в поршне, хромированный шток |
| 2 | Диаметр поршня | 32, 40, 50, 63, 80, 100, 125, 160, 200 мм |
| 3 | Ход (рекомендуемые варианты) |
От 0 до 150 мм с шагом 25 мм От 151 до 500 мм с шагом 50 мм От 501 до 1000 мм с шагом 100 мм ПРИМЕЧАНИЕ: максимальный ход - 2800 мм |
| 4 | Исполнение |
01 = базовое 02 = исполнение с проходным штоком G = тандем с общим штоком F = тандем с независимыми штоками D = оппозитный тандем с общим штоком Е = оппозитный тандем с независимыми штоками |
| 5 | Опции (только для исполнений 01 и 02) |
_ = без опций Р = с уплотнениями из полиуретана (-30... +80 °С) V = с уплотнениями из FPM (-5... + 150 °С) для моделей без магнита и (-5... +80 °С) и для моделей с магнитом (только для версий 01 и 02) MA = базовое исполнение с передней возвратной пружиной (ХОД НЕ БОЛЕЕ 50 ММ, Ø 32-125 мм) MP = базовое исполнение с задней возвратной пружиной (ХОД НЕ БОЛЕЕ 50 ММ, Ø 32-125 мм |
Срок поставки определяется наличием на складе и регионом нахождения покупателя. При комплексной поставке оборудования возможна оплата с отсрочкой платежа.




