1325 - 1326 - Цилиндры пневматические с параллельными штоками
Характеристики
Артикул
1325-1326
Диаметр поршня
Ø 32 … 100 мм
Ход
до 500 мм
Максимальное рабочее давление
10 бар
Температура эксплуатации
-5…+70°С
Гарантия
2 года
Подробное описание
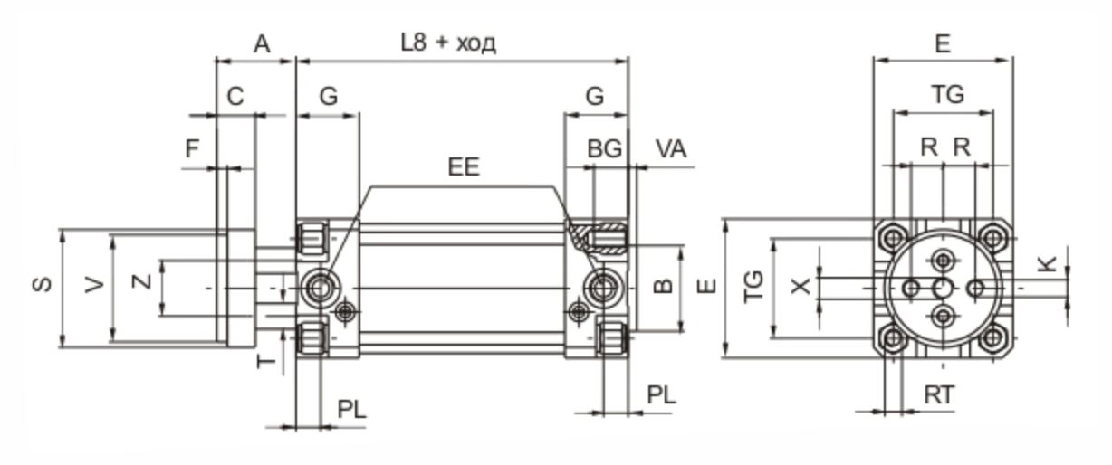
Цилиндры пневматические с параллельными штоками серии 1325-1326 имеют хорошее противодействие поперечным нагрузкам и поворачиваемости штока. Являются прекрасной заменой сборки "пневмоцилиндр плюс дорогостоящие направляющие". Основные размеры соответствуют стандарту ISO 15552.
Пневмоцилиндры с параллельными штоками обеспечивают хорошее противодействие поперечным нагрузкам и поворачиваемости штока. Являются прекрасной заменой сборки пневмоцилиндр плюс дорогостоящие направляющие. Основные размеры соответствуют стандарту ISO 15552.

Код для заказа:
| 1 |
• |
2 |
• |
3 |
• |
4 |
|---|---|---|---|---|---|---|
| 1325 | 32 | 0500 | 01 |
| Значение позиции | Расшифровка кодировки | |
|---|---|---|
| 1 | Модель | 1325 = с магнитом в поршне 1326 = без магнита в поршне |
| 2 | Диаметр поршня | 32, 40, 50, 63, 80, 100 мм |
| 3 | Ход (рекомендуемые варианты) |
25-50-75-100-150-200 мм (ДЛЯ Ø 32) 25-50-75-100-150-200-250 мм (ДЛЯ Ø 40) 25-50-75-100-150-200-250-300 мм (ДЛЯ Ø 50) 25-50-75-100-125-150-200-250-300-320 мм (ДЛЯ Ø 63) 25-50-75-100-150-200-250-300-350-400-500 мм (ДЛЯ Ø 80, 100) |
| 4 | Исполнение |
01 = базовое 02 = исполнение с проходным штоком по ISO 15552 06 = с проходным штоком |
| 5 | Опции |
Пропустить для хромированного штока X = шток из нержавеющей стали |
Доставка и оплата
Срок поставки определяется наличием на складе и регионом нахождения покупателя. При комплексной поставке оборудования возможна оплата с отсрочкой платежа.
Диаметр поршня, мм
50
Ход, мм
75
Серия
1325
Производитель
Италия
Диаметр поршня, мм
40
Ход, мм
200
Серия
1325
Производитель
Италия
Диаметр поршня, мм
100
Ход, мм
100
Серия
1325
Производитель
Италия







