17*20 - Клапан плавного пуска
Характеристики
АРТИКУЛ
17*20
Максимальное давление
10 бар
Температура эксплуатации
-5…+50°С
Гарантия
2 года
Подробное описание
Предназначены для обеспечения плавного заполнения пневмосистемы сжатым воздухом. Запускаются при подаче пневмо или электросигнала.
Регулируемая скорость срабатывания. Быстрый сброс из канала потребителя. Индивидуальный или модульный монтаж.
| 1 | 2 | . | 3 |
| 171 | 10 | M2 |
| 1 | Исполнение |
170 = корпус из металла, магистраль G 1/4’’, расход 1000 нл/мин 171 = корпус из технополимера, магистраль G 1/4’’, расход 1000 нл/мин 172 = корпус из металла, магистраль G 3/8’’, расход 1700 нл/мин 173 = корпус из металла, магистраль G 1/2’’, расход 2500 нл/мин 174 = корпус из металла, магистраль G 1’’, расход 8000 нл/мин |
| 2 | Тип изделия |
10 = клапан плавного пуска электроуправляемый 20 = клапан плавного пуска пневмоуправляемый |
| 3 | Модификация |
_ = отверстие для пневмосигнала G 1/8’’ (только для пневмуправляемого клапана) M2 = электроуправляемый без установленной катушки |
|
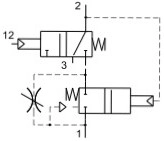
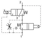
Обозначение на схеме |
|
|
пневмоуправление |
электроуправление |
![]() |
![]() |
Вас может заинтересовать:
Доставка и оплата
Срок поставки определяется наличием на складе и регионом нахождения покупателя. При комплексной поставке оборудования возможна оплата с отсрочкой платежа.
Присоединение
G1/4"
Доп.параметры
Диапазон 0...10бар
Материал корпуса изделия
Сталь с цинковым покрытием
Присоединение
G3/8"
Доп.параметры
Диапазон 2.5...10бар
Материал корпуса изделия
металл
Присоединение
G1/4"
Доп.параметры
Диапазон 2.5...10бар
Материал корпуса изделия
металл
Присоединение
G1"
Доп.параметры
Диапазон 0...10бар
Материал корпуса изделия
металл
Текст Alt Картинке
17310.M2 - Клапан плавного пуска, G1/2", 0...10 бар, металл, под катушку типа MB
Присоединение
G1/2"
Доп.параметры
Диапазон 0...10бар
Материал корпуса изделия
металл
Текст Alt Картинке
17320 - Клапан плавного пуска с пневматическим управлением, G1/2", 2.5...10 бар, металл
Присоединение
G1/2"
Доп.параметры
Диапазон 2.5...10бар
Материал корпуса изделия
металл


























