900.14.7 - Клапан плавного пуска
Характеристики
Артикул
900.14.7
Диапазон температуры окружающей среды
–5…+70 C°
Рабочее давление
от 2,5 до 10 бар
Расход, нл/мин (при 6 бар и ΔР=1 бар)
760 / 900
Резьба
G1/4
Гарантия
2 года
Подробное описание
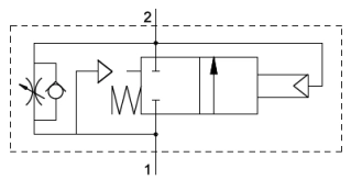
900.14.7 - Клапан плавного пуска: предназначен для плавной подачи давления в пневмосистему при пуске оборудования с целью исключения неконтролируемого движения пневмоприводов. Клапан обеспечивает расход 760 нл/мин (из 1 в 2) и 900 нл/мин (из 2 в 1) (при 6 бар и ΔР=1 бар).
Клапан плавного пуска серии 900 предназначен для плавной подачи давления в пневмосистему при пуске оборудования с целью исключения неконтролируемого движения пневмоприводов.
- Регулировка скорости увеличения давления.
- Быстрый сброс давления через обратный клапан.
Код для заказа: 900.14.7
Обозначение на схеме

Доставка и оплата
Срок поставки определяется наличием на складе и регионом нахождения покупателя. При комплексной поставке оборудования возможна оплата с отсрочкой платежа.





