E109 - Клапан арматурный с прямым управлением НЗ (латунь)
E109 - Клапан арматурный с прямым управлением НЗ (латунь): предназначен для контроля потока различных газов и жидкостей (воздух, вода, пар, спирты, масла и другое) находящихся под давлением. Действие клапанов серии E109 основано на открытии или закрытии проходного отверстия в клапанной паре при помощи прямого воздействия магнитного поля на плунжер, создаваемого электрическим полем в электрической катушке. Производитель ACL S.r.l. (Италия).
Арматурный клапан тип 109 - 2/2 нормально закрытый клапан прямого действия. Материал корпуса - латунь. Положение при монтаже - любое.Применяемые уплотнения:
- NBR (пербунан)
- EPDM
- FPM (вайтон)
- покрытие латунного корпуса никелем
- исполнение для работы с кислородом
Основные технические параметры клапанов
| Код для заказа (*) | Присоединение, BSP | Ду, мм | Kv, м3/час | Тип катушки | Допустимый перепад давления, бар | Коды уплотнений и их рабочая температура | ||
| мин. | макс. | |||||||
|
переменный ток в катушке |
постоянный ток в катушке |
|||||||
| E109C © 12/// ® | G3/8" | 12 | 2,0 | 2 | 0 | 0,5 | 0,06 |
B - NBR (пербунан) -10 0С...+90 0С
|
|
E109C © 12/// ® |
G3/8* |
12 | 2,0 |
5 |
0 |
0,8 |
0,4 |
|
|
E109D © 12/// ® |
G1/2" |
12 | 2,2 |
2 |
0 |
0,5 |
0,06 |
|
|
E109D © 12/// ® |
G1/2" |
12 | 2,2 |
5 |
0 |
0,8 |
0,4 |
|
|
E109E © 12/// ® |
G3/4" |
18 | 4,5 |
2 |
0 |
0,14 |
- |
|
|
E109E © 12/// ® |
G3/4" |
18 | 4,5 |
5 |
0 |
0,2 |
0,12 |
|
(*) Укажите код уплотнения вместо © и код катушки вместо ®. Например: E109DB12///20E
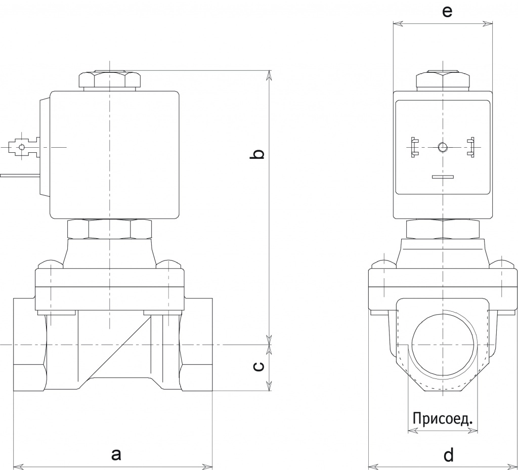
Габаритные размеры

| Присоединение | a | b | c | d | e (тип 2) | e (тип 5) | масса, кг | |
| тип 2 | тип 5 | |||||||
| 3/8" BSP | 60 | 83 | 14 | 45 | 30 | 36 | 0,50 | 0,58 |
| 1/2" BSP | 60 | 83 | 14 | 45 | 30 | 36 | 0,45 | 0,53 |
| 3/4" BSP | 75 | 90 | 18 | 55 | 30 | 36 | 0,75 | 0,83 |
Срок поставки определяется наличием на складе и регионом нахождения покупателя. При комплексной поставке оборудования возможна оплата с отсрочкой платежа.






