EDC-1 - Блок управления электронный для пропорционнальных распределителей с одной катушкой без обратной связи
Характеристики
Артикул
EDC-1
Потребляемая мощность
мин. 20 Вт - макс. 40 Вт
Выходной ток
мин. 800 мА - макс. 2600 мА
Диапазон рабочих температур
-20 ... +70ºC
Электрический разъем
DIN 43650
Гарантия
2 года
Подробное описание
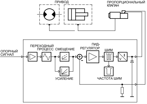
Блок EDC-1 представляет собой миниатюрный электронный блок для управления в режиме без обратной связи пропорциональными клапанами (распределителями).
- Усилитель подает ток, изменяющийся в зависимости от опорного сигнала, но независимо от колебаний температуры или сопротивления нагрузки.
- Ступень широкоимпульсного модулятора (ШИМ) блока питания электромагнита позволяет снизить гистерезис клапана, тем самым улучшая точность управления.
- Электроразъем настраивается для разных значений максимально тока и частоты переключения, оптимизируется для управления различными клапанами.
- Настройка блока производится при помощи кнопок и дисплея находящихся внутри его корпуса, либо при помощи компьютера, используя протокол RS232 с программным обеспечением EDC-PC.
| 1 | 2 | 3 |
/ |
4 | 5 |
| EDC-1 | 1 | 1 | 10 | E0 |
| 1 | Цифровой усилитель с электрическим разъемом DIN 43650 для одиночных распределителей | |
| 2 | максимальный ток |
1 = 860 мА 2 = 1200 мА 3 = 1600 мА 4 = 1880 мА 5 = 2600 мА |
| 3 | Частота переключения |
1 = 100 Гц 2 = 200 Гц 3 = 300 Гц 4 = 400 Гц 5 = 500 Гц |
| 4 | Номер серии | Габаритные и монтажные размеры остаются неизменными для серий от 10 до 19 |
| 5 | Опорный сигнал |
Е0 = напряжение 0... +10 В (стандарт) Е1 = ток 4... 20 мА Е2 = напряжение 0...+5 В |
Функциональная блок-схема:

Доставка и оплата
Срок поставки определяется наличием на складе и регионом нахождения покупателя. При комплексной поставке оборудования возможна оплата с отсрочкой платежа.
Производитель
DUPLOMATIC MS S.p.a.





