EDM-M* - Блок управления электронный для пропорциональных распределителей без обратной связи
Электронный блок EDM-M* представляет собой цифровой усилитель для управления пропорциональными распределителями без обратной связи.
- Устанавливается на рейку DIN EN 50022.
- Усилитель подаёт ток, прямо пропорциональный опорному сигналу и не зависящий от колебаний температуры или сопротивления нагрузки.
- Ступень широтноимпульсного модулятора позволяет снизить гистерезис клапана, тем самым улучшая точность управления.
Блок EDM-M выпускается в трёх основных вариантах:
- для управления распределителями с одним электромагнитом (М1);
- с двумя электромагнитами (М2);
- для независимого управления двух распределителей с одним электромагнитом (М3).
Каждый вариант выпускается в подвариантах на несколько максимальных токов и частот переключения (ШИМ), которые оптимизируются с учётом типа управляемого клапана.
| 1 | 2 | 3 | 4 | 5 | 6 | / | 7 | 8 | - | 9 |
| EDM-M | 3 | 1 | 1 | 1 | 1 | 30 | E0 | B |
| 1 | Цифровой усилитель для пропорциональных распределителей без обратной связи, монтаж на рейку DIN EN 50022 | |
| 2 | Вариант исполнения |
1 = гидрораспределитель с одним электромагнитом 2 = гидрораспределитель с двумя электромагнитами 3 = независимое управление двумя гидрораспределителями с одним электромагнитом |
| 3 | Максимальный ток |
1 = 860 мА 2 = 1200 мА 3 = 1600 мА 4 = 1880 мА 5 = 2600 мА Примечание: укажите 2 варианта исполнения для вида канала М3 |
| 4 | Максимальный ток для второго канала |
1 = 860 мА 2 = 1200 мА 3 = 1600 мА 4 = 1880 мА Примечание: только для EDM-M3, для других версий - пропустить |
| 5 | Частота переключения (ШИМ) |
1 = 100 Гц 2 = 200 Гц 3 = 300 Гц 4 = 400 Гц |
| 6 | Частота переключения (ШИМ) второго канала |
1 = 100 Гц 2 = 200 Гц 3 = 300 Гц 4 = 400 Гц |
| 7 | Номер серии | Габаритные и монтажные размеры остаются неизменными для серий от 30 до 39 |
| 8 |
Опорный сигнал |
Е0 = напряжение 0... +10 В (стандарт) Е1 = ток 4... 20 мА |
| 9 | Функция разъема 12 пин |
А = внешний сигнал разрешения В = внутренний сигнал разрешения (стандарт) |
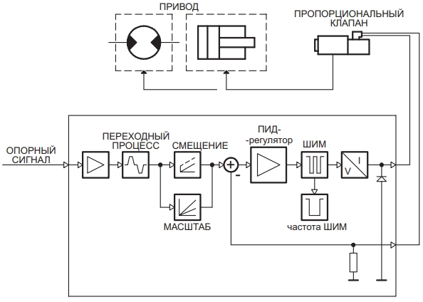
Функциональная блок-схема:

Примечание: Программное обеспечение EBC доступно на нашем сайте shop.pneumax.ru/, в разделе гидравлика (электронные усилители). Для подключения блока к ПК или ноутбуку необходим микро USB-кабель (тип USB A микро USB B).
EDMPC/30 - кабель к электронному блоку тип EDM*/30.
Срок поставки определяется наличием на складе и регионом нахождения покупателя. При комплексной поставке оборудования возможна оплата с отсрочкой платежа.









