EWM-S-AA - Карта управления аналоговая позиционированием в следящих системах, с аналоговым сигналом по обратной связи
-
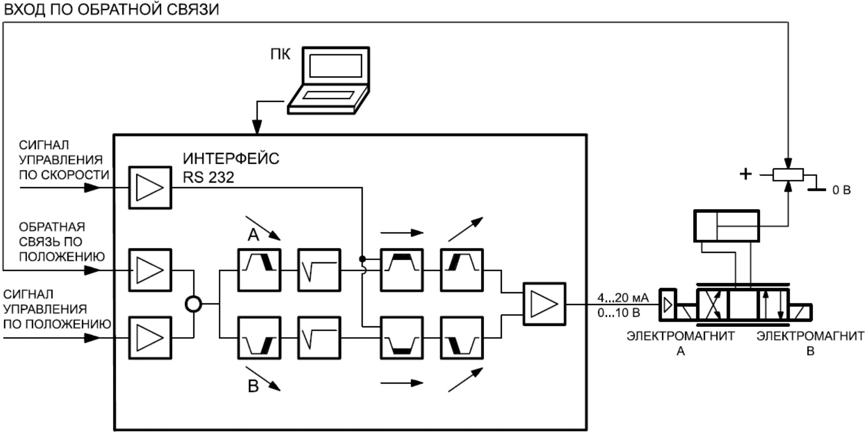
Карта EWM-S-AA разработана для простого управления перемещением гидравлических исполнительных механизмов в следящих гидросистемах. Положение задается входными сигналами.
-
Карта управляет пропорциональным распределителем со встроенной электроникой. В качестве дополнения карта может оснащаться встроенным усилителем мощности.
-
Данная карта позволяет эффективно применять пропорциональные клапаны с положительным и нулевым перекрытием.
-
Карта позволяет также управлять скоростью перемещения.
-
Карта имеет интерфейс RS232C и настраивается при помощи ноутбука с применением набора EWMPC.

Код для заказа:
| Код | Описание |
| EWM-S-AA/20E0_3894100100АА/20Е0_3894100100 |
Аналоговая карта управления позиционированием в следящих системах, с аналоговым сигналом по обратной связи |
Срок поставки определяется наличием на складе и регионом нахождения покупателя. При комплексной поставке оборудования возможна оплата с отсрочкой платежа.




