MDS5 - Распределитель гидравлический CETOP 05 в модульном исполнении
MDS5 используется для переключения нескольких направлений потока рабочей жидкости или для выбора давлений. Отверстия для потоков масла проходят непосредственно через весь корпус клапана, и, благодаря такой конструкции, MDS5 может собираться в одном блоке с любыми модульными клапанами стандарта CETOP 05.
Специальное подключение клапана параллельно к линиями P, T, A и B контура позволяет легко строить различные конфигурации гидравлических систем, снижая падение давления до минимального уровня.

Код для заказа:
| 1 | - | 2 | / | 3 | - | 4 | / | 5 |
| MDS5 | S1 | 50 | D12 | CM |
| 1 | Направляющий распределитель с электромагнитным управлением, CETOP 05, модульная версия | ||
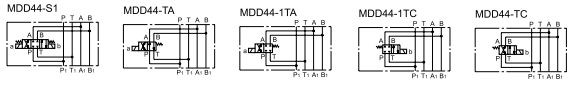
| 2 | Тип золотника |
S1, TA, TA, 1TA, 1TC |
|
| 3 | Номер серии |
50 = для постоянного тока 62 = для переменного тока Габаритные и монтажные размеры остаются неизменными для серий от 50 до 59 и от 60 до 69 |
|
| 4 | Напряжение питания катушек* |
Постоянный ток: D12 = 12 В D24 = 24 В D00 = клапан без катушек |
Выпрямленный ток: R110 = 110 В R230 = 230 В |
|
Остальные варианты напряжения - по запросу |
|||
| 5 | Ручное дублирование |
Пропустить, если не требуется CM = защитный резиновый колпачок ручного дублирования |
|
Скачать 2D и 3D модели товара «Распределитель гидравлический CETOP 05 в модульном исполнении MDS5» Вы можете по кнопке «CAD-модель» выше.
Если Вы не нашли нужный формат 3D или 2D модели, вы можете воспользоваться on-line конфигуратором моделей компаний Duplomatic MS и Pneumax S.P.A. перейдя по ссылке - «Справочные материалы. 3D-Библиотека».
Срок поставки определяется наличием на складе и регионом нахождения покупателя. При комплексной поставке оборудования возможна оплата с отсрочкой платежа.




