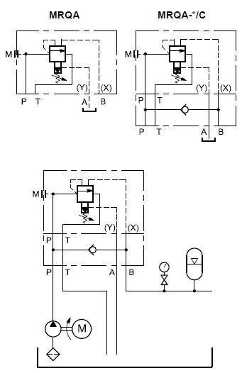
MRQA - Клапан разгрузочный (для контуров с гидроаккумулятором)
Клапан типа MRQA представляет собой перепускной предохранительный клапан с функцией автоматической разгрузки. При достижении давления настройки клапан осуществляет безнапорную разгрузку насоса и снова нагружает насос, когда давление в контуре снижается до 68% (или 78%) от заданного значения.
Для обеспечения этого действия необходимо использовать гидроаккумулятор, гарантирующий поддержание давления в контуре. Обратный клапан, имеющийся в модели MRQA/C, предотвращает падение давления в гидроаккумуляторе через открытый разгрузочный клапан.
Система поддерживает давление в гидравлическом контуре, предотвращая нагрев масла и снижая потребление электроэнергии. Рекомендуется располагать гидроаккумулятор как можно ближе к клапану MRQA, не уменьшая при этом проходные сечения трубопроводов.
Продолжительность цикла зависит от производительности насоса, объема и предварительной зарядки гидроаккумулятора, а также требований системы по расходу.
Клапан MRQA-5/1/42 (который не комплектуется обратным клапаном) можно установить на специальную плиту P4D-A и вкрутить в неё обратный клапан картриджного монтажа VR2-I1/32, реализуя тем самым гидросхему с обратным клапаном, которая необходима для нормального функционирования клапана в гидросистемах с аккумулятором.
| монтажная поверхность | диаграммы |
|
|
Технические характеристики
(получены для минерального масла вязкостью 36 сСт при 50°C)| максимальное рабочее давление | бар | 350 |
| максимальный расход | л/мин | 40 |
| диапазон температур окружающей среды |
°C |
-20/+60 |
| диапазон температур жидкости | °C | -20/+80 |
| диапазон вязкости жидкости | сСт | 10÷400 |
| степень загрязнения жидкости | ||
| рекомендуемая вязкость | сСт | 25 |
|
масса: MRQA MRQA*/C |
кг |
3,3 |
Код для заказа
| 1 | - | 2 | / | 3 | / | 4 | / | 5 | / | 6 | / | 7 |
|---|---|---|---|---|---|---|---|---|---|---|---|---|
| MRQA | 5 | 2 |
|
C | 42 |
|
| 1 | Разгрузочный клапан для контуров с гидроаккумулятором. CETOP 03 | |
| 2 | Диапазон регулировки давления |
3 = 25 ÷ 70 бар 5 = 50 ÷ 210 бар 6 = 100 ÷ 280 бар |
| 3 | Перепад давления (значения ± 2,5 %) |
1 = выключение насоса при 75% от заданного значения 2 = выключение насоса при 63% от заданного значения |
| 4 | Регулировка |
Пропустить для вариантов регулировки винтом с потайной шестигранной головкой M = регулировка рукояткой SICBLOC для контроля основного давления |
| 5 | Обратный клапан |
Пропустить, если не требуется С = обратный клапан |
| 6 | Номер серии | Габаритные и монтажные размеры остаются неизменными для серий от 40 до 49 |
| 7 | Уплотнения |
Пропустить в случае минеральных масел V = уплотнения FPM для специальных жидкостей |
Пример кода для заказа
MRQA-5/2/C/42 - Клапан разгрузочный для работы с аккумулятором, 50-210 бар, 40л/мин, 63% от давления настройки
Скачать 2D и 3D модели товара «Клапан разгрузочный (для контуров с гидроаккумулятором) MRQA» Вы можете по кнопке «CAD-модель» выше.
Если Вы не нашли нужный формат 3D или 2D модели, вы можете воспользоваться on-line конфигуратором моделей компаний Duplomatic MS и Pneumax S.P.A. перейдя по ссылке - «Справочные материалы. 3D-Библиотека».Срок поставки определяется наличием на складе и регионом нахождения покупателя. При комплексной поставке оборудования возможна оплата с отсрочкой платежа.





