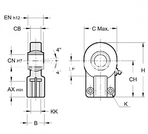
Наконечники штока со сферическим шарниром LSF
Характеристики
Артикул
LSF
Подробное описание
Архивная позиция!Подобрать аналог данной позиции вам помогут менеджеры нашей компании.
Звоните: +7 (495) 739-39-99!
Доставка и оплата
Срок поставки определяется наличием на складе и регионом нахождения покупателя. При комплексной поставке оборудования возможна оплата с отсрочкой платежа.




