Бесплатная доставка во все регионы России
- доставка до двери/терминала транспортными компаниями: «Деловые линии», «DPD», «СДЭК»;
- самовывоз со склада: Химки, Коммунальный пр-д, стр. 30.
Любые способы оплаты
- банковская карта;
- безналичный расчёт;
- наличные.
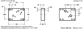
PMRPC2-AI4G/10_1960330 - Плита для регуляторов расхода, E-U=G1/2", 320 бар, порты на задней панели, сталь
Характеристики
Артикул
PMRPC2-AI4G/10




