PZE3 - Клапан редукционный с пилотным пропорциональным электронным управлением CETOP 03
Характеристики
Артикул
PZE3
Рабочее давление
до 350 бар
Максимальный расход
40 л/мин
Масса
2,4 кг
Гистерезис
< 5%
Точность
< ±2%
Диапазон температур окружающей среды
-20°... +60° C
Диапазон температур жидкости
-20°... +80° C
Диапазон вязкости жидкости
0 ÷ 400 сСт
Рекомендуемая вязкость
25 сСт
Гарантия
2 года
Подробное описание
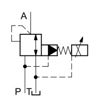
PZE3 - Трехходовой редукционный клапан с пилотным пропорциональным электронным управлением и электронным блоком. Соответствует стандарту ISO 4401-03 (CETOP 03).Клапан управляет давлением на выходе в канале А, уменьшая давление в линии Р или сбрасывая избыточное давление из линии А в Т, поддерживая его на заданном уровне (как правило, гидравлический противовес или балансировка нагрузки).
Давление можно устанавливать в гидравлических контурах.
Возможны модификации с разными типами электроники, с аналоговыми или цифровыми интерфейсами.
Клапан легко устанавливается.
Непосредственное управление цифровыми настройками осуществляется за счет усилителя или соответствующего электронного блока.
Скачать 2D и 3D модели товара «Клапан редукционный PZE3 с пилотным пропорциональным электронным управлением CETOP 03» Вы можете по кнопке «CAD-модель» выше.
Если Вы не нашли нужный формат 3D или 2D модели, вы можете воспользоваться on-line конфигуратором моделей компаний Duplomatic MS и Pneumax S.P.A. перейдя по ссылке - «Справочные материалы. 3D-Библиотека».
Доставка и оплата
Срок поставки определяется наличием на складе и регионом нахождения покупателя. При комплексной поставке оборудования возможна оплата с отсрочкой платежа.




