Сопла обдувочные
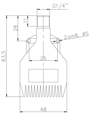
Сопло обдувочное плоское. Артикул 069.523
Материал: высокопрочный химически стойкий пластик.
Расположение большого количества минисопел (16 отв.) в одной плоскости позволяет создать “плоскую” струю, что наиболее оптимально для обдува больших рабочих поверхностей (столы, конвейерные ленты и т.д.). Специальная форма выходных минисопел позволила снизить уровень шума на 15 дБ по сравнению с обычным круглым соплом того же сечения.
Одно или несколько минисопел могут быть заглушены. Это позволит создать оптимальный поток воздуха и сэкономить его общее потребление.
Крепление сопла осуществляется посредством двух отверстий.
| Энергоноситель |
Максимальное рабочее давление |
Расход воздуха при давлении | Уровень шума при давлении | ||
| 3 бара | 5 бар | 3 бара | 5 бар | ||
| Отфильтрованный воздух | 10 бар | 250 нл/мин | 420 нл/мин | 65 дБ | 72 дБ |
Сопло обдувочное круглое.
Материал - алюминий. Артикул 923.702Материал - техполимер. Артикул 838.926
Расположение большого количества минисопел по окружности позволяет создать низкошумную высокоэффективную струю воздуха для обдува. Сопло изготавливается из анодированного алюминиевого сплава.

Рабочие характеристики:
| Энергоноситель |
Максимальное рабочее давление |
Расход воздуха при давлении |
Уровень шума при давлении | ||
| 2 бара | 5 бар | 2 бара | 5 бар | ||
|
отфильтрованный воздух |
10 бар | 260 нл/мин | 400 нл/мин | 75 дБ | 82 дБ |
Срок поставки определяется наличием на складе и регионом нахождения покупателя. При комплексной поставке оборудования возможна оплата с отсрочкой платежа.







