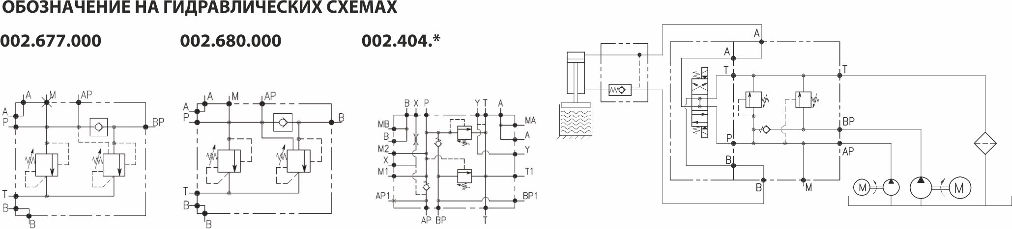
002.* - Клапан разгрузочный для совместной работы насосов низкого и высокого давлений
Клапан предназначен для совместной работы насоса низкого и высокого давления. Клапан имеет резьбовые присоединительные каналы и предназначен для установки направляющего и разгрузочного распределителя по CETOP 03, CETOP 05, CETOP 07. Клапан является функциональным аналогом отечественной разделительной панели Г53. При работе только насоса высокого давления, расход от насоса низкого давления полностью сливается в бак без нагрузки.
Настройка плиты 002.677.000_VD-CTP-03-002.677
Убедимся, что мотор-насосная группа подключена верно. Насос большего объема подключен в канал ВР. Насос меньшего объема подключен в канал АР.

График перепада давления для плиты 002:
Способ 1.
- Установить манометр в канал М.
- Максимально выкрутить оба предохранительных клапана ВР и АР.
- Включить мотор-насосную группу.
- Закрутить клапан ВР на 4-5 витков, манометр должен показывать давление 0-10бар, при закручивании клапана показания не должны повышаться.
- Закрутить клапан АР на давление более 30 бар, определяя значение давления по манометру.
- Начать медленно откручивать клапан АР, контролируя показания манометра, до характерного изменения звука работы насосов (можно замерить ток на двигателе, ток должен возрасти в момент изменения звука).
- Если момент изменения звука произошел при давлении меньшем 30 бар, то необходимо еще закрутить клапан ВР. Если момент произошел при давлении большем 30 бар, то необходимо немного выкрутить клапан ВР, повторив все действия с пункта 6. Таким образом, на клапане ВР необходимо поймать давление 30 бар. Законтрить клапан.
- После настройки клапана ВР закрутить клапан АР до показаний на манометре давления 250бар. Законтрить клапан.
Способ 2.
- Установить манометр в канал М.
- Максимально выкрутить оба предохранительных клапана ВР и АР.
- Отсоединить малый насос от плиты, направив напорный шланг в бак на слив. Заглушить полученное отверстие в плите.
- Включить мотор-насосную группу.
- Полностью закрутить клапан АР. Манометр должен показывать давление 0-10бар, при закручивании клапана показания не должны повышаться.
- Закрутить клапан ВР до показаний на манометре давления 30 бар. Законтрить клапан.
- Максимально выкрутить клапан АР.
- Подключить к плите малый насос.
- Закрутить клапан АР до показаний на манометре давления 250бар. Законтрить клапан.
Коды для заказа
| 002.404.A00 |
Плита с предохранительным клапаном и разгрузкой второго насоса для сдвоенных насосов CETOP07 вн.питание A-B-1ʺ, AP-AP1-G 1/2ʺ BP-BP1-G 3/4ʺ, T-T1-G 11/4ʺ, M1-M2-MA-MB-X-Y-G 1/4ʺ |
| 002.404.B00 | Плита с предохранительным клапаном и разгрузкой второго насоса для сдвоенных насосов CETOP07 нар.питание A-B-1ʺ, AP-AP1-G 1/2ʺ BP-BP1-G 3/4ʺ, T-T1-G 11/4ʺ, M1-M2-MA-MB-X-Y-G 1/4ʺ |
| 002.677.000 | Плита с предохранительным клапаном и разгрузкой второго насоса для сдвоенных насосов CETOP03 A-B- BP G 3/8ʺ, T-G 1/2ʺ BP-BP1-G 3/4ʺ, AP-M -G 1/4ʺ |
| 002.680.000 | Плита с предохранительным клапаном и разгрузкой второго насоса для сдвоенных насосов CETOP05 AP- G 3/8ʺ, T-G 1/2ʺ BP- G 1/2ʺ, T -G 3/4ʺ, M-G 1/4ʺ |
Скачать 2D и 3D модели товара «Клапан разгрузочный для совместной работы насосов низкого и высокого давлений 002.*» Вы можете по кнопке «CAD-модель» выше.
Если Вы не нашли нужный формат 3D или 2D модели, вы можете воспользоваться on-line конфигуратором моделей компаний Duplomatic MS и Pneumax S.P.A. перейдя по ссылке - «Справочные материалы. 3D-Библиотека».Срок поставки определяется наличием на складе и регионом нахождения покупателя. При комплексной поставке оборудования возможна оплата с отсрочкой платежа.








