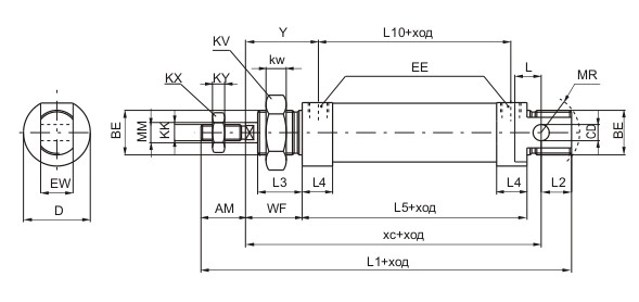
1230-1232 - Миницилиндры из технополимера ISO 6432
Миницилиндры из технополимера ISO 6432 серии 1230, 1231 и 1232 выполнены из технополимера, за исключением штока. Это позволяет использовать их там, где окружающая среда не допускает использование мини цилиндров из алюминия, т.к. технополимер по свойствам более стойкий к коррозии.
Миницилиндры 1230-1232 выполнены из технополимера, за исключением штока. Механические свойства технополимера близки к алюминию, а коррозионная стойкость многократно выше. Это позволяет использовать их там, где окружающая среда не допускает использование мини цилиндров из алюминия. Является хорошей альтернативой применению пневмоцилиндров из нержавеющей стали.
Базовое исполнение:
Код для заказа:
| 1 | . | 2 | . | 3 | . | 4 |
| 1230 | 16 | 0100 | M |
| 1 | Модель |
1230 = базовое исполнение 1231 = без задней проушины 1232 = с проходным штоком |
| 2 | Диаметр поршня | 12, 16, 20, 25 мм |
| 3 |
Ход (рекомендуемые варианты) |
15-25-50-75-80-100-125-150-160-200 мм (ДЛЯ Ø 12) 15-25-50-75-80-100-125-150-160-200-250 мм (ДЛЯ Ø 16) 15-25-50-75-80-100-125-150-160-200-250-300 мм (ДЛЯ Ø 20, 25) |
| 4 | Исполнение |
Пропустить для версии без магнита в поршне с хромированным штоком M = с магнитом в поршне и штоком из нержавеющей стали |
Скачать 2D и 3D модели товара «Миницилиндры из технополимера ISO 6432 1230,1231,1232» Вы можете по кнопке «CAD-модель» выше.
Срок поставки определяется наличием на складе и регионом нахождения покупателя. При комплексной поставке оборудования возможна оплата с отсрочкой платежа.















