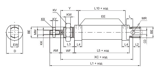
1260-1274 - Миницилиндры по стандарту ISO 6432
Характеристики
Артикул
1260-1274
Диаметр поршня
Ø 8, 10, 12, 16, 20, 25, 32, 40, 50 мм
Ход
до 500 мм
Максимальное рабочее давление
10 бар
Температура эксплуатации
-5…+70°С
Гарантия
2 года
Подробное описание
- Миницилиндры с диаметром поршня до 50 мм предназначены для решения специальных задач. Выполнены из алюминиевого сплава. Имеют разборную конструкцию и множество модификаций и опций.
- Миницилиндры с диаметрами поршня 12, 16, 20, 25 мм соответствуют стандарту ISO 6432.
- Миницилиндры с шестигранным штоком обеспечивают хорошее противодействие поворачиваемости штока. Являются хорошей альтернативой применению сборки миницилиндр плюс дорогостоящая направляющая, экономит место.

Код для заказа (миницилиндры пневматические специальные серия 1260 (Ø 40 и 50 мм)):
| 1 | . | 2 | . | 3 | . | 4 | . | 5 |
| 1260 | 50 | 0100 | A.M | V |
| 1 | Модель |
1260 = базовое исполнение 1261 = без задней проушины 1262 = с проходным штоком |
| 2 | Диаметр поршня | 40, 50 мм |
| 3 |
Ход (рекомендуемые варианты) |
15 - 25 - 50 - 75 - 80 - 100 - 150 - 160 - 200 - 250 - 300 - 320 - 350 - 400 - 450 - 500 мм |
| 4 | Исполнение |
Пропустить для немагнитного без демпфирования A.M = магнитный с демпфированием |
| 5 | Опции |
Пропустить для стандартного варианта без опций V = с уплотнениями из VITON для пыльной среды |
Код для заказа (миницилиндры пневматические специальные серия 1260 (с шестигранным штоком)):
| 1 | . | 2 | . | 3 | . | 4 | . | 5 |
| 1260 | 16 | 0100 | E | M |
| 1 | Модель |
1260 = базовое исполнение 1271 = без задней проушины 1272 = с проходным штоком |
| 2 | Диаметр поршня | 12, 16, 20, 25, 32, 40, 50 мм |
| 3 |
Ход (рекомендуемые варианты) |
15-25-50-75-80-100-150-160-200-250-300 мм (для Ø 12, 16) 15-25-50-75-80-100-150-160-200-250-300-320-350-400 мм (для Ø 20, 25) 15-25-50-75-80-100-150-160-200-250-300-320-350-400-450-500 мм (для Ø 32, 50) |
| 4 | Тип | E = с шестигранным штоком |
| 5 | Исполнение |
Пропустить для немагнитного с хромированным штоком M = магнитный, шток хромированный X = немагнитный, шток из нержавеющей стали |
Скачать 2D и 3D модели товара «Миницилиндры по стандарту ISO 6432 1260-1274» Вы можете по кнопке «CAD-модель» выше.
Доставка и оплата
Срок поставки определяется наличием на складе и регионом нахождения покупателя. При комплексной поставке оборудования возможна оплата с отсрочкой платежа.
Диаметр поршня, мм
10
Ход, мм
15
Серия
1274
Производитель
Италия
Производитель
Италия
Производитель
Италия
Производитель
Италия
Диаметр поршня, мм
25
Ход, мм
25
Серия
1272
Производитель
Италия
Производитель
Италия










