1348 - 1350 - Цилиндры пневматические с квадратным поршнем
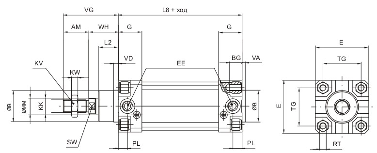
Цилиндры пневматические с квадратным поршнем серии 1348, 1349, 1350 обеспечивают хорошее противодействие поворачиваемости штока и высокую точность позиционирования штока с нагрузкой. Являются прекрасной заменой сборки «пневмоцилиндр плюс дорогостоящие направляющие». Основные размеры соответствуют стандарту ISO 15552.
Пневмоцилиндры с квадратным поршнем обеспечивают хорошее противодействие поворачиваемости штока и высокую точность позиционирования штока с нагрузкой. Являются прекрасной заменой сборки пневмоцилиндр плюс дорогостоящие направляющие. Основные размеры соответствуют стандарту ISO 15552.
Базовое исполнение:

Код для заказа:
| 1 | . | 2 | . | 3 | . | 4 |
| 1348 | 32 | 0025 | 01 |
| Значение позиции | Расшифровка кодировки | |
|---|---|---|
| 1 | Модель |
1348 = с магнитом в поршне, хромированный шток 1349 = с магнитом в поршне, нержавеющий шток 1350 = без магнита в поршне, хромированный шток |
| 2 | Диаметр поршня | 32, 40, 50, 63 мм |
| 3 |
Ход (рекомендуемые варианты) |
25-50-75-100-125-150 мм (ДЛЯ Ø 32) 25-50-75-100-125-150-160 мм (ДЛЯ Ø 40) 25-50-75-100-125-150-160-200-250 мм (ДЛЯ Ø 50) 25-50-75-100-125-150-160-200-300-320 мм (ДЛЯ Ø 63) |
| 4 | Исполнение |
01 = базовое 02 = с проходным штоком |
Скачать 2D и 3D модели товара «Цилиндры пневматические с квадратным поршнем 1348-1350» Вы можете по кнопке «CAD-модель» выше.
Срок поставки определяется наличием на складе и регионом нахождения покупателя. При комплексной поставке оборудования возможна оплата с отсрочкой платежа.







