1390 - 1392 - Пневматические цилиндры по DIN/ISO 15552
Пневмоцилиндры серии 1390, 1391, 1392 производятся в соответствии со стандартом ISO 15552, полностью соответствуют стандартам VDMA 24562 и CNOMO/AFNOR 49003 и полностью взаимозаменяемы с цилиндрами других производителей. Пришли на смену разработанным ранее моделям серий 1319-1321, 1386-1388, 1396-1398.
Пневмоцилиндры предназначены для универсального применения. Крышки и профиль выполнены из алюминиевого сплава, шток из нержавеющей стали, втулка штока - из самосмазывающейся спеченной бронзы
Все модели оснащены встроенным пневматическим демпфированием, позволяющим безударно снизить скорость движения поршня в крайних положениях (снижает влияние ударных нагрузок при больших скоростях и усилиях). Отличаются повышенной жесткостью конструкции при небольшом весе.
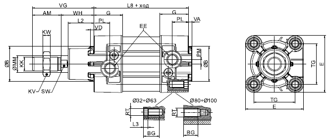
Размеры пневмоцилиндров:
- Базовое исполнение (01):

- Исполнение с проходным штоком:

Таблица диаметров
|
Код для заказа пневмоцилиндров:
| 1 | - | 2 | - | 3 | - | 4 | - | 5 |
| 1391 | 63 | 0500 | 01 |
| 1 |
Модель пневмоцилиндра |
1390 - с магнитом в поршне, хромированный шток 1391 - с магнитом в поршне, нержавеющий шток 1392 = без магнита в поршне, хромированный шток |
| 2 | Диаметр поршня | 32, 40, 50, 63, 80, 100, 125, 160, 200 мм |
| 3 | Ход (рекомендуемые варианты) |
От 0 до 150 мм с шагом 25 мм От 151 до 500 мм с шагом 50 мм От 501 до 1000 мм с шагом 100 мм ПРИМЕЧАНИЕ: максимальный ход - 2800 мм |
| 4 | Исполнение |
01 = базовое 02 = исполнение с проходным штоком G = тандем с общим штоком F = тандем с независимыми штоками D = оппозитный тандем с общим штоком Е = оппозитный тандем с независимыми штоками |
| 5 | Опции (только для исполнений 01 и 02) |
Пропустить, если нет опций Р - с уплотнениями из полиуретана (-30... +80 °С) V - с уплотнениями из FPM (-5... + 150 °С) и алюминиевым поршнем для модели без магнита и (-5... +80 °С) и алюминиевым поршнем для модели с магнитом К - поршень из алюминия (только для цилиндров Ø от 32 до 100 мм. Цилиндры Ø от 125 до 200 мм имеют поршни из алюминия по умолчанию) В - с удлиненным штоком для установки фиксатора штока 1320.0.51 BS (только для базового исполнения 13_ .0.ход. 01), фиксатор заказывается отдельно R - в сборе с металлическим скребком на штоке (Ø 32-100) Q - в сборе с пластиковым скребком на штоке (Ø 32-100) L - с уплотнениями для низких температур (-50°) (Ø 32-100) |
- все цилиндры поставляются в комплекте с гайкой штока;
- принадлежности заказываются отдельно.
Пневмоцилиндры с гофром
Ограничения| Серия | 1390, 1391, 1392 |
| Диаметр поршня | 32...100 мм |
| Максимальный ход |
для Ø поршня 32...63 мм - 980 мм для Ø поршня 80...100 мм - 1140 мм |
| Исполнение цилиндра |
базовое 01 с проходным штоком 02 |
| Уплотнения |
NBR, PUR, FPM, низкотемпературное (до - 50 °С) |
| Поршень |
стандарт алюминий |
Гофр
| Варианты исполнения |
повод/отвод воздуха через фитинг через выхлоп в гофре |
| Материалы |
EPDM (черный цвет) NBR (черный цвет) SILICONE (оранжевый цвет) |
| Температура эксплуатации |
-40°С…+110°С (EPDM) -40°С…+130°С (NBR) -60°С…+220°С (SILICONE) |
| Подвод/отвод воздуха через отверстия в гофре | Подвод/отвод воздуха через фитинг (резьба G1/4" или G3/8") |
|
|
Код для заказа пневмоцилиндров с гофром
| 1 | 2 | 3 | 4 | 5 | 6 | 7 | 8 | |||||||
| FB | . | A | . | 0050 | . | S | . | 0N | . | 1 | . | N | . | 0 |
| Значение позиции | Расшифровка кодировки |
| Модель |
FA=1390 FB=1391 FC=1392 |
| Диаметр поршня |
A=32 мм B=40 мм C=50 мм D=63 мм E=80 мм F=100 мм |
| Ход |
0...980 мм (для Ø32-63 мм) 0…1140 мм (для Ø80-100 мм) |
| Версия | S = с гофром |
| Уплотнения и поршень |
0N = NBR 0P = PUR 0V = FPM 0L = низкотемпературные (до -50°С) 0K = NBR, алюминиевый поршень PK = PUR, алюминиевый поршень |
| Исполнение |
1 = базовое, 2 = с проходным штоком |
| Материал гофра |
N = NBR, E = EPDM, S = SILICONE |
| Подвод/отвод воздуха в гофр |
0 = выхлоп в гофре 1 = резьбовое отверстие под фитинг |
Скачать 2D и 3D модели товара «Цилиндры пневматические по DIN/ISO 15552 1390-1392» Вы можете по кнопке «CAD-модель» выше.
Срок поставки определяется наличием на складе и регионом нахождения покупателя. При комплексной поставке оборудования возможна оплата с отсрочкой платежа.






















