PDE3J - Клапан предохранительный прямого действия с пропорциональным электронным управлением и интегрированным электронным блоком с обратной связью по давлению CETOP 03
Характеристики
Артикул
PDE3J
Типоразмер
DN6
Рабочее давление
до 350 бар
Максимальный расход
5 л/мин
Номинальный расход
1 л/мин
Время отклика
80/40 мс
Гистерезис
< 3%
Точность
< ±1%
Входной сигнал
0...+10В / 4...20 мА
Температура эксплуатации
–10 до +50 ºС
Дополнительно
Притычной монтаж по стандарту ISO 4401 (CETOP RP121H) Три диапазона регулирования давления Возможность исполнения с интерфейсом CAN-BUS
Гарантия
2 года
Подробное описание
Клапан PDE3J является пропорциональным предохранительным клапаном прямого действия со встроенным электронным блоком управления и стыковой поверхностью по ISO 4401 (CETOP RP 121H). Клапан может использоваться в качестве пилотной ступени в двухкаскадных предохранительных клапанах.- Давление может изменяться непрерывно в соответствии со входным сигналом. Клапан управляется при помощи встроенного цифрового электронного блока (см. параграф 4). Клапан выпускается с тремя диапазонами регулировки давления (до 350 бар).
Код для заказа:
| 1 | - | 2 | / | 3 | 4 | - | 5 | 6 |
7 |
| PDE3J |
140 |
31 | N | Е0 | K11 |
В |
| 1 | Перепускной предохранительный клапан с интегрированным электронным блоком управления | |
| 2 | Диапазон регулировки давления |
140 = 2,4 - 140 бар 210 = 3,2 - 210 бар 350 = 5 - 350 бар |
| 3 | Номер серии | Габаритные и монтажные размеры остаются неизменными для серий от 30 до 39 |
| 4 | Уплотнения |
N = уплотнения NBR для минеральных масел (стандарт) V = уплотнения FPM для особых типов жидкостей |
| 5 | Опорный сигнал |
Е0 = напряжение 0... +10 В Е1 = ток 4... 20 мА |
| 6 | Разъем | K11 = 6 контактов + «земля» |
| 7 | Функция контакта С |
А = внешний разрешающий сигнал В = внутренний разрешающий сигнал С = 0 В контроль |
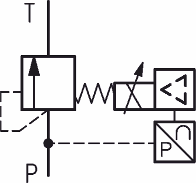
Обозначение на гидравлических схемах:

Монтажные плиты:
| С задним расположением присоединительных отверстий |
PMMD-AI3G
|
| С боковым расположением присоединительных отверстий |
PMMD-AL3G
|
|
Размеры отверстий Р, Т, А, В |
3/8" BSP
|
| Описание | Код заказа |
| Устройство для диагностики пропорциональных клапанов со встроенной электроникой серия 30 | |
| Электроразъем 7 контактов, DIN 43563 - IP67.PG11 EX7S/L/10 |
3890000003
|
Скачать 2D и 3D модели товара «Клапан предохранительным прямого действия с пропорциональным электронным управлением и интегрированным электронным блоком с обратной связью по давлению CETOP 03 PDE3J» Вы можете по кнопке «CAD-модель» выше.
Если Вы не нашли нужный формат 3D или 2D модели, вы можете воспользоваться on-line конфигуратором моделей компаний Duplomatic MS и Pneumax S.P.A. перейдя по ссылке - «Справочные материалы. 3D-Библиотека».
Доставка и оплата
Срок поставки определяется наличием на складе и регионом нахождения покупателя. При комплексной поставке оборудования возможна оплата с отсрочкой платежа.




