OMTF - Фильтр гидравлический сливной
Технические характеристики
| максимальное рабочее давление | бар/МПа | 8/0,8 |
| давление разрушения фильтрующего элемента | бар/МПа | 10/1 |
| настройка сливного байпасного клапана | бар | 1,7 ±10% |
| рабочая температура | °С | -25/+110 |
| совместимость с гидравлическими маслами ISO 2943 |
минеральные масла типа HH, HM, HR, HV, HG, согласно ISO 6743/4 |
|
| перепад давления разрушения фильтрующего элемента |
согласно стандарта ISO 2941 |
|
| материал крышки |
литьевой алюминиевый сплав |
|
| материал колбы |
OMTF 09-11-17: нейлон, армированный стекловолокном |
|
| уплотнения |
нитрил (NBR) |
|
Типы фильтроэлементов
- С - картон, пропитанный смолой; 10 и 25 мкм
- F - химволокно; 3,6,10 и 25 мкм
- R - металлическая сетка (AISI 304); 60 и 90 мкм
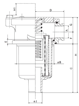
OMTF 09/OMTF 11
| тип | OMTF 09 | OMTF 11 | ||
| A | 1/2" BSP | 1/2" BSP | 3/4" BSP | 1" BSP |
| B | 66 | 86 | ||
| C | 85 | 92 | 150 | 232 |
| D | 50 | 67 | ||
| E | 8 | 10 | ||
| F | 21 | 29 | ||
| G | 26 | 34 | ||
| H | 132 | 155 | 213 | 295 |
| H1 | 110 | 130 | 190 | 270 |
| J | 24,5 | 30 | 30 | 40 |
| вес, кг | 0,4 | 0,715 | 0,77 | 0,83 |
OMTF 17/OMTF22
|
тип |
OMTF 17 | OMTF 22 | ||||
| A | 1" BSP | 1"1/4 BSP | 1"1/4 BSP | 1"1/2 BSP | 2" BSP | SAE24 1"7/8-12 UN |
| B | 129 |
173 |
||||
| C | 244 | 176 | 236 | 236 | 282 | |
| D | 95 | 120 | ||||
| E | 10 | 11 | ||||
| F | 35 | 38 | ||||
| G | 45 | 48 | ||||
| H | 323 | 262 | 322 | 368 | ||
| H1 | 255 | 210 | 260 | 320 | ||
| J | 40 | 51 | 64 | |||
| вес, кг | 1,940 | 3,25 | 3,8 | 3,9 | ||
Скачать 2D и 3D модели товара «Фильтр гидравлический сливной OMTF» Вы можете по кнопке «CAD-модель» выше.
Если Вы не нашли нужный формат 3D или 2D модели, вы можете воспользоваться on-line конфигуратором моделей компаний Duplomatic MS и Pneumax S.P.A. перейдя по ссылке - «Справочные материалы. 3D-Библиотека».
Срок поставки определяется наличием на складе и регионом нахождения покупателя. При комплексной поставке оборудования возможна оплата с отсрочкой платежа.
















